AgroBox

Ložiskové pouzdro

Parametry produktu

Číslo položky FYJ509
EAN 7316570436501
Jednotka Kus
Značka SKF
Použití
  • Zemědělské stroje
  • Potravinářský průmysl
  • Interní dopravní zařízení
Vlastnosti
  • Volné ložiskové pouzdro
  • Vybaveno mazacím místem
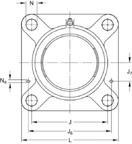
Typ pouzdra Čtyřhranná příruba
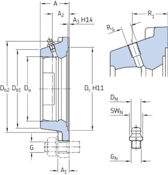
Montážní průměr ložiska 85 mm
HDélka pouzdra 137 mm
AŠířka pouzdra 38 mm
A2Šířka pouzdra v horní části 21 mm
Počet montážních otvorů 4
JVzdálenost montážních otvorů 105 mm
GVelikost šroubu 14 mm
Přimazávací Ano
R1Vzdálenost od středové maznice ke spodní části 22 mm
Povrchový materiál Litina
Originální číslo FYJ509
Hmotnost 1,47 kg
A3Výška okraje 3,2 mm
Db2Vnější průměr základny 108 mm
Manufacturer Product ID FYJ 509

1 629,14 Kč s DPH

1 346,40 Kč bez DPH

Skladem