AgroBox

Ložiskové pouzdro

Parametry produktu

Číslo položky FYC513
EAN 7316570293043
Jednotka Kus
Značka SKF
Použití
  • Zemědělské stroje
  • Potravinářský průmysl
  • Interní dopravní zařízení
Vlastnosti
  • Volné ložiskové pouzdro
  • Vybaveno mazacím místem
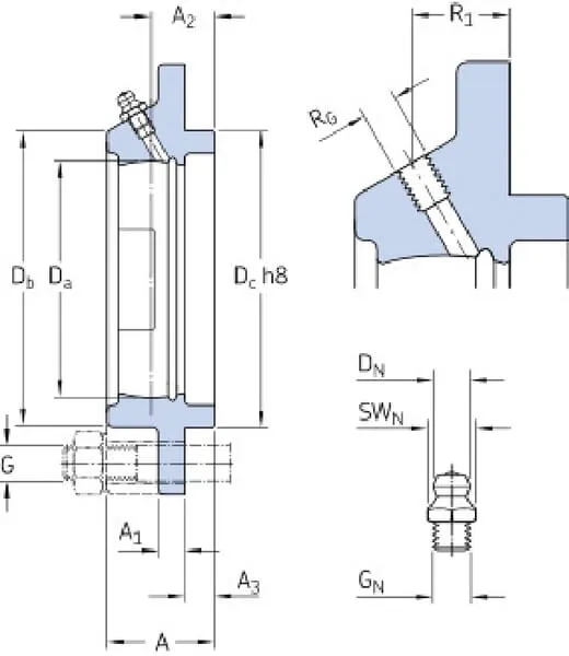
Typ pouzdra Kulatá příruba
Montážní průměr ložiska 120 mm
Délka pouzdra 205 mm
AŠířka pouzdra 50 mm
A2Šířka pouzdra v horní části 30 mm
Počet montážních otvorů 4
Průměr kruhu montážních otvorů/šroubů 170 mm
J/J1Vzdálenost montážních otvorů
  • 170 mm
  • 120,2 mm
GVelikost šroubu 16 mm
Přimazávací Ano
R1Vzdálenost od středové maznice ke spodní části 24,5 mm
Povrchový materiál Litina
Originální číslo FYC513
Hmotnost 3,97 kg
Manufacturer Product ID FYC 513

4 716,46 Kč s DPH

3 897,90 Kč bez DPH

Skladem