AgroBox

Ložiskové pouzdro

Parametry produktu

Číslo položky FYC511
EAN 7316570262568
Jednotka Kus
Značka SKF
Použití
  • Zemědělské stroje
  • Potravinářský průmysl
  • Interní dopravní zařízení
Vlastnosti
  • Volné ložiskové pouzdro
  • Vybaveno mazacím místem
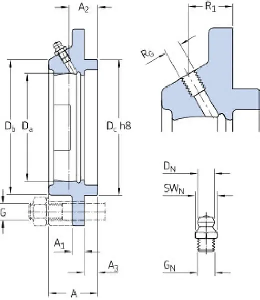
Typ pouzdra Kulatá příruba
Montážní průměr ložiska 100 mm
Délka pouzdra 185 mm
AŠířka pouzdra 43 mm
A2Šířka pouzdra v horní části 25 mm
Počet montážních otvorů 4
Průměr kruhu montážních otvorů/šroubů 150 mm
J/J1Vzdálenost montážních otvorů
  • 150 mm
  • 106,1 mm
GVelikost šroubu 16 mm
Přimazávací Ano
R1Vzdálenost od středové maznice ke spodní části 24,5 mm
Povrchový materiál Litina
Originální číslo FYC511
Hmotnost 2,98 kg
A3Výška okraje 12 mm
Manufacturer Product ID FYC 511

3 741,80 Kč s DPH

3 092,40 Kč bez DPH

Skladem