AgroBox

Ložisková sada

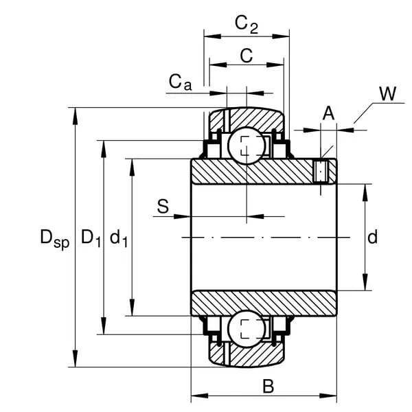
Parametry produktu

Číslo položky GYE50211KRRB
EAN
  • 4012802816365
  • 4064327886835
Jednotka Kus
Značka INA
Podrobnosti
  • Oboustranně prodloužený vnitřní kroužek se stavěcími šrouby
  • Konvexní vnější kroužek s mazacími otvory
  • Těsnění R
  • Polyamidové pouzdro
Vnitřní průměr 50 mm
Vnější průměr 100 mm
Vnější kroužek šířka 25 mm
Šířka vnitřního kroužku 55,6 mm
Vnější průměr vnitřního kroužku 69,8 mm
Vzdálenost od středu ke konci stavěcího kroužku 9 mm
Základní radiální únosnost statická 29000 N
Základní osové zatížení dynamické 43500 N
Velikost klíče 4.0 mm
Vzdálenost středu kuličky k mazacímu otvoru 7 mm
Těsnicí šířka 29 mm
Těsnicí průměr 85,9 mm
Vzdálenost středu kuličky ke konci 22,2 mm
Originální číslo GYE50-211-KRR-B
Hmotnost 1,26 kg
Výrobce Schaeffler

3 045,93 Kč s DPH

2 517,30 Kč bez DPH

Skladem