AgroBox

Ložisková sada

Parametry produktu

Číslo položky GE25KRRB
EAN 4054371032135
Jednotka Kus
Značka INA
Podrobnosti
  • Oboustranně prodloužený vnitřní kroužek s napínací podložkou
  • Konvexní vnější kroužek s mazacími otvory
  • Těsnění R
  • Klec z polyamidu
Obsah balení
  • Ložisková vložka
  • Napínací podložka
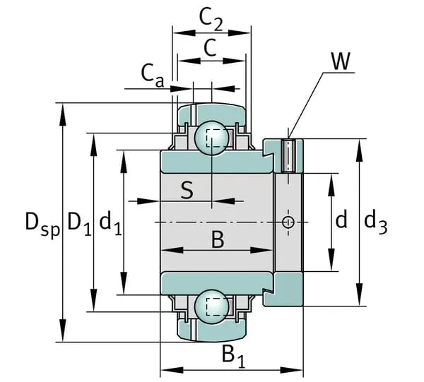
dVnitřní průměr 25 mm
DspVnější průměr 52 mm
CVnější kroužek šířka 15 mm
BŠířka vnitřního kroužku 34,9 mm
Vnější průměr stavěcího kroužku 37,5 mm
Šířka stavěcího a vitřního kroužku 44,4 mm
d1Vnější průměr vnitřního kroužku 33,8 mm
Základní radiální únosnost statická 7800 N
Základní osové zatížení dynamické 14000 N
Velikost klíče 3.0 mm
Vzdálenost středu kuličky k mazacímu otvoru 3,9 mm
Těsnicí šířka 16,7 mm
Těsnicí průměr 42,5 mm
Vzdálenost středu kuličky ke konci 17,5 mm
Originální číslo GE25-KRR-B
Hmotnost 0,25 kg
Výrobce Schaeffler

555,39 Kč s DPH

459,00 Kč bez DPH

Skladem