AgroBox

Ložisková jednotka

Parametry produktu

Číslo položky 7500FY513M
Jednotka Kus
Značka SKF
Použití
  • Zemědělské stroje
  • Potravinářský průmysl
  • Interní dopravní zařízení
Vlastnosti
  • Volné ložiskové pouzdro
  • Vybaveno mazacím místem
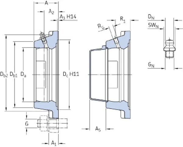
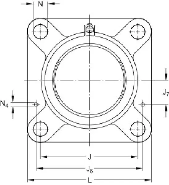
Typ pouzdra Čtyřhranná příruba
NMontážní průměr ložiska 120 mm
Délka pouzdra 187 mm
LŠířka pouzdra 52,5 mm
A2Šířka pouzdra v horní části 34 mm
Počet montážních otvorů 4
JVzdálenost montážních otvorů 149,5 mm
GVelikost šroubu 16 mm
Přimazávací Ano
J7Vzdálenost od středové maznice ke spodní části 34,5 mm
Povrchový materiál Litina
Originální číslo FY513M
Hmotnost 3,04 kg
A3Výška okraje 3,2 mm
Db2Vnější průměr základny 154 mm
Manufacturer Product ID FY 513 M

1 774,16 Kč s DPH

1 466,25 Kč bez DPH

Skladem