AgroBox

Ložisková jednotka

Parametry produktu

Číslo položky 7500FY511M
EAN 7316570194913
Jednotka Kus
Značka SKF
Použití
  • Zemědělské stroje
  • Potravinářský průmysl
  • Interní dopravní zařízení
Vlastnosti
  • Volné ložiskové pouzdro
  • Vybaveno mazacím místem
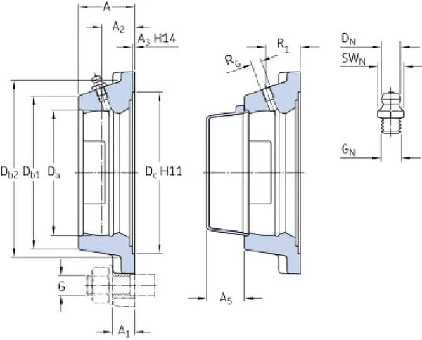
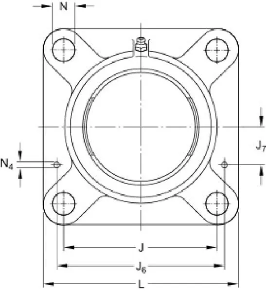
Typ pouzdra Čtyřhranná příruba
NMontážní průměr ložiska 100 mm
Délka pouzdra 162 mm
LŠířka pouzdra 47,5 mm
A2Šířka pouzdra v horní části 31 mm
Počet montážních otvorů 4
JVzdálenost montážních otvorů 130 mm
GVelikost šroubu 16 mm
Přimazávací Ano
J7Vzdálenost od středové maznice ke spodní části 32 mm
Povrchový materiál Litina
Originální číslo FY511M
Hmotnost 2,36 kg
A3Výška okraje 3,2 mm
Db2Vnější průměr základny 134 mm
Manufacturer Product ID FY 511 M

1 115,92 Kč s DPH

922,25 Kč bez DPH

Skladem