AgroBox

Ložisková jednotka

Parametry produktu

Číslo položky 7500FY503M
EAN 7316570665079
Jednotka Kus
Značka SKF
Použití
  • Zemědělské stroje
  • Potravinářský průmysl
  • Interní dopravní zařízení
Vlastnosti
  • Volné ložiskové pouzdro
  • Vybaveno mazacím místem
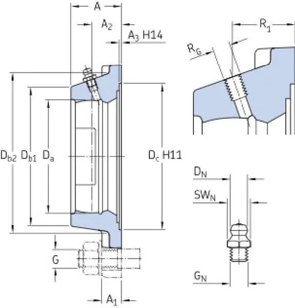
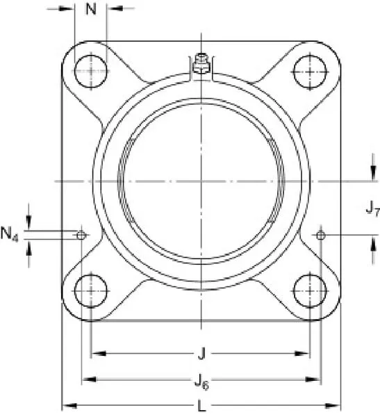
Typ pouzdra Čtyřhranná příruba
Montážní průměr ložiska 40 mm
Délka pouzdra 76 mm
AŠířka pouzdra 26 mm
A2Šířka pouzdra v horní části 17 mm
Počet montážních otvorů 4
Vzdálenost montážních otvorů 54 mm
GVelikost šroubu 10 mm
Přimazávací Ano
R1Vzdálenost od středové maznice ke spodní části 19 mm
Povrchový materiál Litina
Originální číslo FY503M
Hmotnost 0,3 kg
A3Výška okraje 3,2 mm
Db2Vnější průměr základny 53 mm
Manufacturer Product ID FY 503 M

871,14 Kč s DPH

719,95 Kč bez DPH

Skladem