Kuželové soukolí – modul 5
Parametry produktu
| Obsah | 2 kuželová kola |
|---|---|
| Technická informace | Osový otvor a klínová drážka volitelné |
Tento produkt má několik variant. Vyberte prosím konkrétní variantu z tabulky níže.
Dostupné varianty produktu
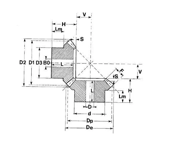
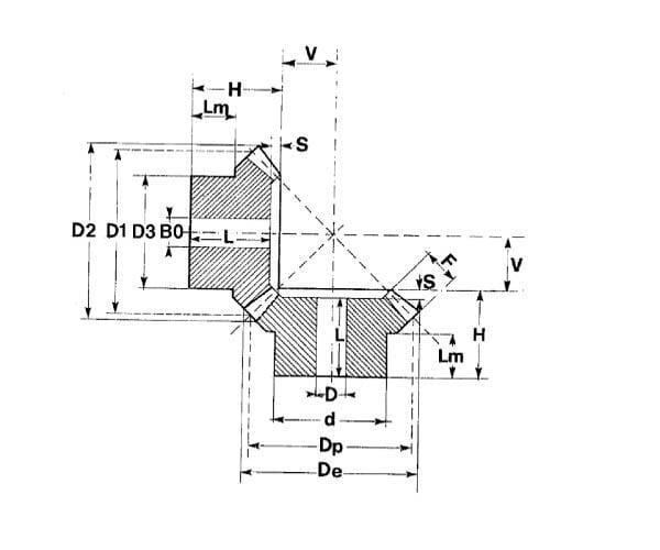
| Produkt | Košík | Cena | Modul | Obsah | Značka | Jednotka | Materiál | Počet zubů | Délka náboje | Průměr otvoru | HCelková výška | dPrůměr náboje | DeCelková šířka | DpVnější průměr | Technická informace | Vnější šířka náboje |
|---|---|---|---|---|---|---|---|---|---|---|---|---|---|---|---|---|
Kuželové soukolí Modul 5 – 1:1
MOD51616
|
850,51 Kč
702,90 Kč bez DPH
|
5 | 2 kuželová kola | Kramp | Sada | Ocel C45 | 16 | 48,9 mm | 20 mm | 48,9 mm | 60,3 mm | 87 mm | 80 mm | Osový otvor a klínová drážka volitelné | 42,4 mm |