AgroBox

Kompaktní agregáty, 24 V DC

Parametry produktu

Výhody
  • Víceúčelové
  • Univerzální montáž
  • Krátká dodací lhůta
Podrobnosti
  • Výtěžnost a odběr proudu závisí na zatížení
  • Nelze použít v beztlakových oběhových čerpadlech
  • Určeno ke krátkodobému nebo přerušovanému provozu
  • Zvažte maximální pracovní cyklus a minimální dobu pauzy
  • Skládá se z tlakové a zpětné přípojky s vnitřním závitem 1/4″ BSP
  • Volitelné rozšíření o ventil NG6
  • Přestavitelný pojistný ventil
  • Zpětný ventil
  • Testováno a nastaveno na maximální tlak
  • Napětí: 24 V DC
  • Následující hodnoty platí při provozním tlaku 180 barů a okolní teplotě 20 °C:
  • Q = 3,6 l/min
  • Maximální pracovní cyklus stejnosměrných motorů závisí na zatížení
  • Doba chlazení cca 20 min.
  • Spotřeba proudu = 80 ampér
  • Další verze jsou k dispozici na vyžádání
  • Konfigurace vlastního hydraulického agregátu je možná pomocí výpočtového programu Kramp,
  • viz sekce Konfigurátor Kramp na našem webshopu
Obsah balení
  • Agregát
  • Všeobecné pokyny pro údržbu a obsluhu
  • Prohlášení o shodě ES
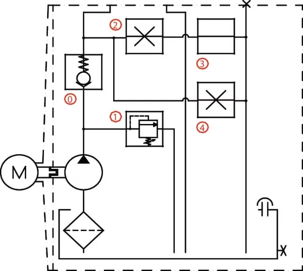
  • Schéma zapojení

Tento produkt má několik variant. Vyberte prosím konkrétní variantu z tabulky níže.

Dostupné varianty produktu

Produkt Košík Cena Výhody Značka Jednotka Objem nádrže Celková délka (mm) Celková výška (mm) Celková šířka (mm) Jmenovitý objemový průtok Max. soustavný provozní tlak Průměr závitu připojení na straně výtlaku
MPP 24VDC 2100W 8Ltr 1.2cc
MPP 24VDC 2100W 8Ltr 1.2cc
MPP85A002
18 094,40 Kč 14 954,05 Kč bez DPH
  • Víceúčelové
  • Univerzální montáž
  • Krátká dodací lhůta
Kramp Kus 8 l 661 mm 222 mm 235 mm 1,2 cm³/rev 210 BAR 1/4 Inch