AgroBox

Kombinovaný váleček s přírubou

Parametry produktu

Číslo položky CR4057AP2
Jednotka Kus
Značka Faro
Zvláštnosti
  • Dobré rozdělení vznikajících
  • radiálních a axiálních zatížení
  • Radiální a axiální kladka kombinovaná v jediné kladce
Použití
  • Přídavný vysokozdvižný vozík
  • Pohybové systémy
  • Transportní systémy
Vlastnosti
  • Vnější kroužky z legované oceli (20MnCr5) a kalené až na 60+2 HRc
  • Navařovací čepy z C10 (číslo materiálu 1.0301)
Technická informace
  • Typy 53 až 55: pryžový kroužek jako těsnění radiální a axiální kladky
  • Typy 56 až 63: kovové labyrintové těsnění u radiální kladky, pryžový kroužek jako těsnění u axiální kladky
Výhody
  • Dlouhá životnost kladky a lišty
  • Nejdou potřeba žádné samostatné axiální kladky
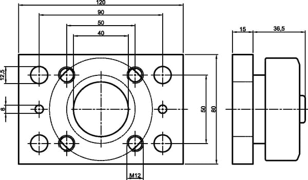
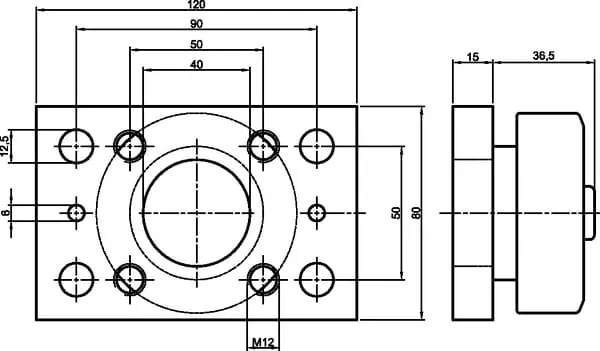
Vnější průměr 77,7 mm
Šířka 40,7 mm
Obsah
  • Kombinované kladky s navařenou přírubou
  • Tuková náplň konzistence 3
Průměr čepu 40 mm
Základní osové zatížení dynamické 8 N
Základní osová únosnost dynamická 3 N
Šířka vnitřního kroužku 29 mm
Hmotnost 0,9 kg

4 848,35 Kč s DPH

4 006,90 Kč bez DPH

Skladem