AgroBox

Kloub BR1 80/25 čep 25

Parametry produktu

Číslo položky BR18025
Jednotka Kus
Značka Baltrotors
Podrobnosti
  • Spojovací rotátor – nakládací jeřáb – kloubový kříž
  • Kolík pro spodní přípojku
  • BR4 a BR4A včetně obou čepů – BR20KS brzděno na straně rotátoru
  • BR22KS brzděno na obou stranách
Tlumič výkyvů Ne
Extra info Vhodné pro: GR30, GR30A, GR30Q, GR30B, GR30PF, GR30PFR, GR46, GR463, GR465, GR46/68M, GR46/69M, GR46-0
Hodí se pro GR30, GR30A, GR30Q, GR30B, GR30PF, GR30PFR, GR46, GR463, GR465, GR46/68M, GR46/69M, GR46-0
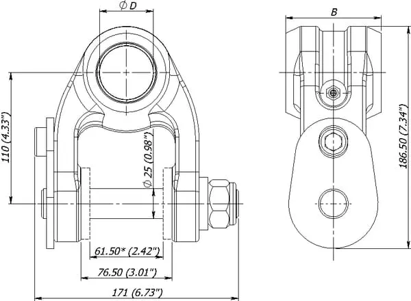
Kolík Ø 25 mm
Pin distance 110 mm
Upevnění rotoru svorník 25 mm
Celková délka 186.5 mm
Celková délka # 171 mm

4 914,17 Kč s DPH

4 061,30 Kč bez DPH

Skladem