AgroBox

Jehlové pouzdro

Parametry produktu

Číslo položky HK3520
EAN 4012802414547
Jednotka Kus
Značka INA
Popis výrobku Jehlové objímky
Výhody Kompaktní typ konstrukce
Podrobnosti
  • Vhodné pouze pro radiální zátěže
  • Ložisko vyžaduje tvrzenou a broušenou povrchovou úpravu
  • Omezený montážní prostor v radiálním směru
  • Doplnění AS: S mazacím otvorem
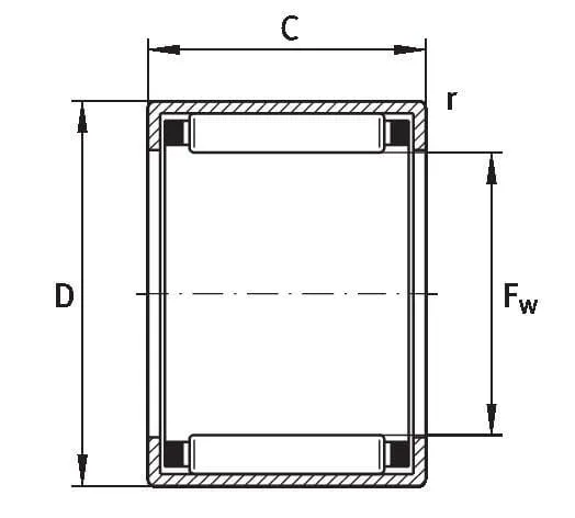
FwVnitřní průměr 35 mm
DVnější průměr 42 mm
CŠířka 20 mm
Těsnění Otevřené
Přimazávací Ne
Základní radiální únosnost statická 46000 N
Základní osové zatížení dynamické 23800 N
Ref. rychlost otáčení 5500 r/min
Max. rychlost otáček 7500 r/min
Min. provozní teplota -30 °C
Max. pracovní teplota 140 °C
Originální číslo HK3520-B
Výrobce Schaeffler

210,18 Kč s DPH

173,70 Kč bez DPH

Skladem