AgroBox

Jednotka lineárního kuličkového ložiska – INA – typ KGNO .. B PP AS

Parametry produktu

Zvláštnosti
  • Provedení s vyříznutým segmentem
  • Vysoká přesnost
Použití
  • Stacionární strojírenství
  • Instalace typu Pick and Place
  • Transportní systémy
  • Balicí stroje
Vlastnosti
  • Lze přimazávat
  • Oboustranné dvojité těsnění
  • Ložisko vyžaduje kalené a broušené dosedací plochy
Obsah
  • Ložisková pouzdra
  • Lineární kuličkové ložisko
Výhody
  • Pro použití na hřídelích s hřídelovou opěrou
  • Přesné polohování

Tento produkt má několik variant. Vyberte prosím konkrétní variantu z tabulky níže.

Dostupné varianty produktu

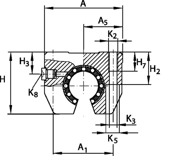
Produkt Košík Cena Obsah Výhody Značka Jednotka Výrobce Šířka Zvláštnosti Celková délka LDélka pouzdra HVýška pouzdra BŠířka pouzdra Vnější průměr Bolt mounting depth FwVnitřní průměr Originální číslo Povrchový materiál Max. pracovní teplota Min. provozní teplota Průměr závitu maznice Výška montážní patky Délka montážního závitu Průměr montážních otvorů Průměr montážního závitu Vzdálenost montážních otvorů Center grease hole to bottom distance Základní osové zatížení dynamické Základní radiální únosnost statická Vzdálenost od středu hřídele ke spodní části
Jednotka lin. kul. ložiska
Jednotka lin. kul. ložiska
KGNO30BPPAS
6 826,15 Kč 5 641,45 Kč bez DPH
  • Ložisková pouzdra
  • Lineární kuličkové ložisko
  • Pro použití na hřídelích s hřídelovou opěrou
  • Přesné polohování
INA Kus Schaeffler 87 mm
  • Provedení s vyříznutým segmentem
  • Vysoká přesnost
68 mm 87 mm 60 mm 60 mm 47 mm 34 mm 30 mm KGSNO30-PP-AS Hliník 80 °C -30 °C M8 9,5 mm 22 mm 8,4 mm M10 68 mm 14 mm 5900 N 6000 N 35 mm