AgroBox

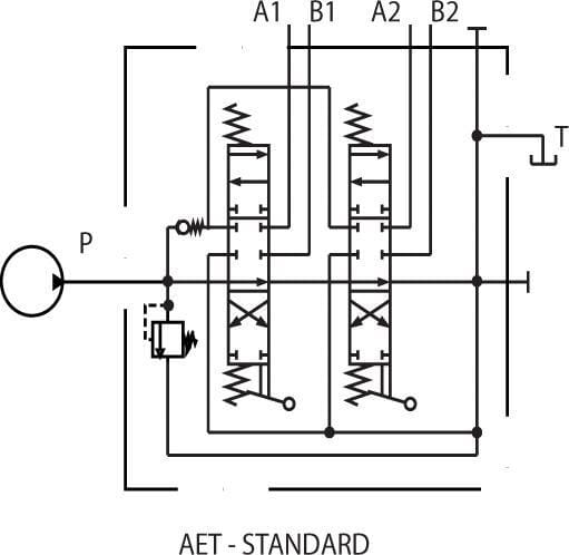
Hydraulický rozvaděč SD18/2-P-2×18-AET

Parametry produktu

Číslo položky SD182001
Jednotka Kus
Značka Walvoil
Popis výrobku Walvoil SD18 je výkonný monoblokový ventil určený pro zemědělské systémy s vysokým průtokem a tlakem. Je ideální do náročných strojů, jako jsou lesnické traktory, míchačky krmiv a velké přívěsy, a snadno zvládá intenzivní používání.
Podrobnosti
  • Průtok až 160 l/min. – Maximální tlak: 250 bar
  • Hlavní přetlakový ventil a zpětný ventil v P-kanálu
  • Paralelní okruh
  • Vhodné pro otevřené i uzavřené systémy
  • Volitelný přepouštěcí otvor
  • Průměr pístu 25 mm
  • Mnoho možností a přestaveb, viz pdf s objednávkovým klíčem
Obsah balení
  • Ovládací ventil
  • Ovládací páka/páky nejsou součástí dodávky
Maximální průtok 160 l/min
Počet sekcí 2
Typ ovládání Ruční ovládání
Spojuje a odpojuje kód 1-8 + 1-8
Možnost výstupního portu Otevřený střed
Tlakový port P – Průměr závitu 3/4 Inch
Tlakový port P – Typ závitu BSP
Průměr závitu pracovních portů 3/4 Inch
Typ vlákna BSP
Port nádrže T – Průměr závitu 1 Inch
Port nádrže T – Typ závitu BSP
Řada ventilů SD18
Kód modelu SD18/2-P(KG3-120)/18L/18L/AET
Maximální pracovní tlak 250 BAR
Přetlakový ventil 63-200 BAR
Max. tlak ve vratném potrubí 25 BAR
Typ seřízení Šroub s vnitřním šestihranem
Těsnicí materiál Nitrilová pryž [NBR]
Max. průsak 4 cm³/min
Nastavení Pomocí šestihranného šroubu
Připojení P1 P = 3/4″, T = 1″, A,B = 3/4″
Varianta Různé volitelné příslušenství (viz přehled)
Těsnění Obj.č.: SD918VAFD
Provedení 2. Pracovní sekce

15 935,34 Kč s DPH

13 169,70 Kč bez DPH

Skladem