AgroBox

Hydraulický rozvaděč 2xEW

Parametry produktu

Číslo položky SD52005
Jednotka Kus
Značka Walvoil
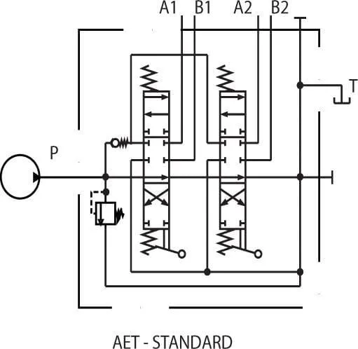
Popis výrobku Monoblokové ventily Walvoil SD5 jsou navrženy pro hydraulické systémy se středními průtoky a tlaky a díky široké škále konfigurací cívek a ovládání nabízejí vynikající flexibilitu. Zajišťují spolehlivý výkon a mají široké využití v zemědělství, vinařství a komunálních službách. Hodí se k ovládání válců a hydromotorů na přívěsech, štípačích dřeva, zvedacích zařízeních a podobně.
Podrobnosti
  • Průtok až 45 l/min – Max. tlak: paralelní, typ SD5/1–P,N nebo D: 315 bar
  • Max. tlak: Řada, typ SD5/1–S: 250 bar
  • Hlavní pojistný ventil a zpětný ventil v P-kanálu
  • Průměr pístu 16 mm s délkou zdvihu 37 mm – SD5/1–N: bez možnosti přenosu – SD5/1- D: možnost přenosu
  • Mnoho možností a konverzí, viz pdf s klíčem k objednávce
Obsah balení
  • Ovládací ventil
  • Ovládací páka/páky nejsou součástí dodávky
Maximální průtok 45 l/min
Počet sekcí 2
Typ ovládání Ruční ovládání
Spojuje a odpojuje kód 3-8 + 3-8
Možnost výstupního portu Otevřený střed
Tlakový port P – Průměr závitu 3/8 Inch
Tlakový port P – Typ závitu BSP
Průměr závitu pracovních portů 3/8 Inch
Typ vlákna BSP
Port nádrže T – Průměr závitu 3/8 Inch
Port nádrže T – Typ závitu BSP
Řada ventilů SD5
Kód modelu SD5/2-P(KG3-120)/38L/38L/AET
Maximální pracovní tlak 315 BAR
Přetlakový ventil 63-200 BAR
Max. tlak ve vratném potrubí 25 BAR
Typ seřízení Šroub s vnitřním šestihranem
Těsnicí materiál Nitrilová pryž [NBR]
Max. průsak 3 cm³/min
Nastavení Pomocí šestihranného šroubu
Připojení
  • P1-P = 3/8″
  • T = 3/8″
  • A,B = 3/8″.
Těsnění materiálu Nitrilový kaučuk (NBR)
Varianta Různé volitelné příslušenství (viz přehled)
PL & ST 3-8 x 3-8
Těsnění Uzavírací nastavit SD 9-5-V-AFD
Provedení 2 oddíly

7 490,14 Kč s DPH

6 190,20 Kč bez DPH

Skladem