AgroBox

Hydr. válec dvojčinný 6″

Parametry produktu

Číslo položky D2540150DW
EAN 5700038821756
Jednotka Kus
Značka Kramp
Použití Ventil nádrže na kejdu
Kategorie použití Nádrž na kejdu
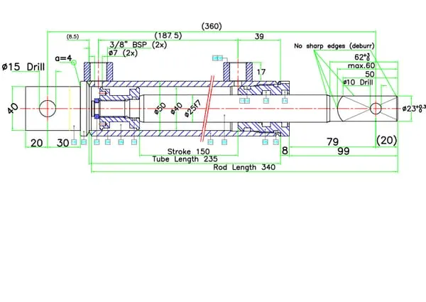
Průměr tyče 25 mm
Typ Dvojčinné
AZdvih 150 mm
Min. délka 360 mm
Max. pracovní tlak 250 BAR
Typ upevnění – připojení válce Vidlice
Průměr montážního závitu – připojení válce 3/8 Inch
Typ upevnění – připojení tyče Vývrt
Průměr montážního otvoru – připojení tyče 10 mm
Vnější průměr 50 mm
Průměr montážního otvoru – připojení válce 15 mm
BMin. vzdálenost montážních otvorů 360 mm
Vzdálenost konce válce ke konci tyče 99 mm
Vnitřní průměr válce 40 mm

3 569,74 Kč s DPH

2 950,20 Kč bez DPH

Skladem