AgroBox

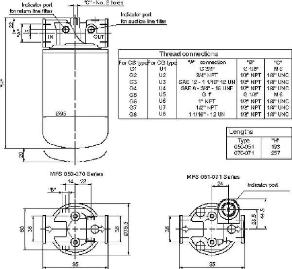
Hlavy filtrů MPS – 050-071

Parametry produktu

Popis výrobku
Šroubovací filtry MPS se používají jako bezpečnostní a pracovní filtry a v souladu s mezinárodními směrnicemi (ISO 4406) jsou navrženy k ochraně jednoho čerpadla, ventilu nebo celého hydraulického okruhu před nečistotami v použitých kapalinách. Hliníková hlava filtru se montuje do potrubí a lze ji doplnit o indikátor nečistot. Lze kombinovat s filtry typu CS.
Zobrazit více
Podrobnosti
  • SG1 = sací filtrační hlavice s obtokem 0,3 baru
  • RG1 = zpětná filtrační hlavice s obtokovým ventilem 1,75 baru
  • OG1 = bez přepouštěcího ventilu
  • Maximální tlak filtrační hlavy: 12 barů
  • Montáž: montáž na trubku, filtr ve vertikální poloze
  • Lze kombinovat s filtračními vložkami typu CS
  • Médium: vhodné pro minerální oleje
  • Filtrace: z vnějšku dovnitř
  • Průtok závisí na velikosti konstrukce a typu filtru
  • Materiál filtrační vložky: skelné vlákno (A), papír (P) nebo kov (M)
  • Filtrační vložky k dispozici jako M25 / M60 / P10 / P25 / A03 / A06 / A10 / A16 / A25 (v µm)

Tento produkt má několik variant. Vyberte prosím konkrétní variantu z tabulky níže.

Dostupné varianty produktu

Produkt Košík Cena Barva Značka Jednotka Typ portu indikátoru Otevírací tlak obtoku Maximální pracovní tlak Typ montážního závitu filtru Průměr závitu portu indikátoru Průměr montážního závitu filtru
Hlava filtru MPS050/070-R-G1, 3/4" BSP
Hlava filtru MPS050/070-R-G1, 3/4" BSP
MPS9050RG1
570,82 Kč 471,75 Kč bez DPH
Bílá MP Filtri Kus Závit 1,75 BAR 12 BAR BSP 1/8 Inch 3/4 Inch
Hlava filtru MPS050/070-S-G1, 3/4" BSP
Hlava filtru MPS050/070-S-G1, 3/4" BSP
MPS9050SG1
932,85 Kč 770,95 Kč bez DPH
Černá MP Filtri Kus Závit 0,3 BAR 12 BAR BSP 1/8 Inch 3/4 Inch
Hlava filtru MPS051/071-R-G1, 3/4" BSP
Hlava filtru MPS051/071-R-G1, 3/4" BSP
MPS9051RG1
936,96 Kč 774,35 Kč bez DPH
Bílá MP Filtri Kus Závit 1,75 BAR 12 BAR BSP 1/2 Inch 3/4 Inch