AgroBox

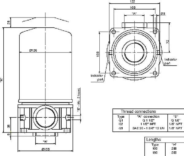
Hlava filtru MST – 100

Parametry produktu

Popis výrobku
Filtry MST Spin-on jsou zpětné filtry namontované přímo na nádrži. Filtry MST s vnitřním obtokovým ventilem jsou vybaveny speciální membránou proti vyprázdnění, která zabraňuje úniku oleje během údržby. Hliníková hlava filtru může být opatřena indikátorem znečištění. V kombinaci s filtry typu CT.
Zobrazit více
Podrobnosti
  • Použití: Zpětný filtr typu CT
  • Sestava: těleso nádrže, filtr ve vertikálním uspořádání
  • V kombinaci s filtračními vložkami typu CT
  • Médium: vhodné pro minerální oleje
  • Filtrace: z vnějšku dovnitř
  • Průtok závisí na velikosti konstrukce a typu filtru
  • Materiál filtrační vložky: skelné vlákno (A), papír (P) nebo kov (M)
  • Filtrační vložky k dispozici jako M25 / M60 / P10 / P25 / A03 / A06 / A10 / A16 / A25 (v µm)

Tento produkt má několik variant. Vyberte prosím konkrétní variantu z tabulky níže.

Dostupné varianty produktu

Produkt Košík Cena Značka Jednotka Maximální pracovní tlak Průměr závitu portu vstupu
Těleso filtru 1 1/2" MST1xx
Těleso filtru 1 1/2" MST1xx
MST9100G1T
2 258,59 Kč 1 866,60 Kč bez DPH
MP Filtri Kus 12 BAR 1-1/2 Inch