AgroBox

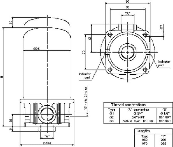
Hlava filtru MST – 050

Parametry produktu

Popis výrobku
Filtry MST Spin-on jsou zpětné filtry namontované přímo na nádrži. Filtry MST s vnitřním obtokovým ventilem jsou vybaveny speciální membránou proti vyprázdnění, která zabraňuje úniku oleje během údržby. Hliníková hlava filtru může být opatřena indikátorem znečištění. V kombinaci s filtry typu CT.
Zobrazit více
Podrobnosti
  • Použití: Zpětný filtr typu CT
  • Sestava: těleso nádrže, filtr ve vertikálním uspořádání
  • V kombinaci s filtračními vložkami typu CT
  • Médium: vhodné pro minerální oleje
  • Filtrace: z vnějšku (OUT) dovnitř (IN)
  • Průtok závisí na velikosti konstrukce a typu filtru
  • Materiál filtrační vložky: skelné vlákno (A), papír (P) nebo kov (M)
  • Filtrační vložky k dispozici jako M25 / M60 / P10 / P25 / A03 / A06 / A10 / A16 / A25 (v µm)

Tento produkt má několik variant. Vyberte prosím konkrétní variantu z tabulky níže.

Dostupné varianty produktu

Produkt Košík Cena Značka Jednotka Maximální pracovní tlak Průměr závitu portu vstupu
Těleso filtru MST050AG1
Těleso filtru MST050AG1
MST9050AG1
1 716,26 Kč 1 418,40 Kč bez DPH
MP Filtri Kus 12 BAR 3/4 Inch