AgroBox

Elektrický rozvaděč 230 V / 400 V

Parametry produktu

Číslo položky EM1154900021
EAN 4007123673711
Jednotka Kus
Značka Brennenstuhl
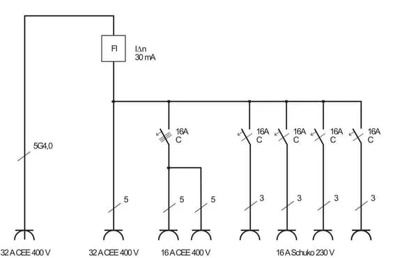
Popis výrobku Robustní přenosný elektrický rozvaděč s plastovým krytem pro celoroční venkovní použití. Všechny zásuvky s jmenovitým proudem 16 A jsou uzemněné a chráněné samostatně.
Výhody
  • S bezpečnostním spínačem na zbytkový proud 30 mA zajišťujícím vyšší bezpečnost
  • Neoprenový kabel odolný vůči olejům, vhodný pro celoroční venkovní použití
  • Každá uzemněná 230V zásuvka má vlastní pojistku a jmenovitý proud 16 A
Podrobnosti
  • Robustní a stabilní ocelový rám se speciálním plastovým potahem zajišťuje další ochranu rozvaděče
  • Včetně ergonomického madla pro pohodlnou přepravu
  • Naviják kabelu na zadní straně
  • Pojistky s uzamykatelným ochranným krytem
Provozní proud 32 A
Třída ochrany IP 44

9 962,17 Kč s DPH

8 233,20 Kč bez DPH

Skladem