Dvojitý tlakový omezovací ventil (pro orbitální motory) typ FPM
Parametry produktu
Tento produkt má několik variant. Vyberte prosím konkrétní variantu z tabulky níže.
Dostupné varianty produktu
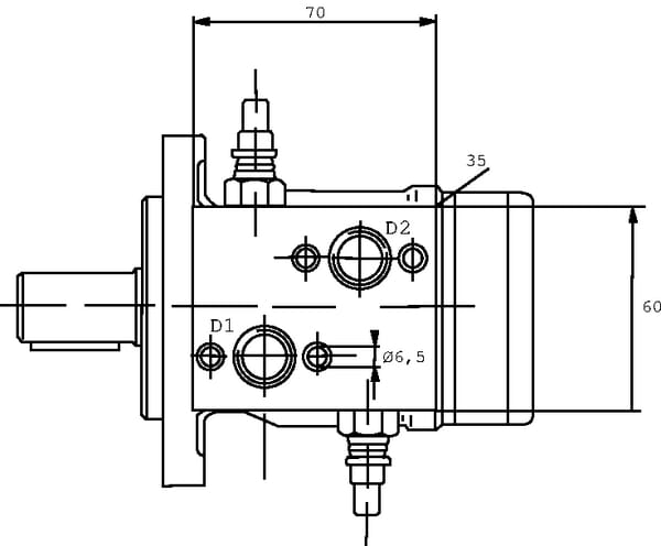
| Produkt | Košík | Cena | Typ | Značka | Jednotka | Extra info | Určeno pro | Délka pouzdra | Typ připojení | Výška pouzdra | Šířka pouzdra | Maximální průtok | Povrchový materiál | Typ závitu připojení | Maximální pracovní tlak | Nastavitelný rozsah tlaku | Průměr závitu připojení | Standardní nastavení tlaku |
|---|---|---|---|---|---|---|---|---|---|---|---|---|---|---|---|---|---|---|
Tlakový omez.ventil FPM D 4
FPMD40DF001
|
2 590,73 Kč
2 141,10 Kč bez DPH
|
Diferenční ventil s pružinovou zátěží | FluidPress | Kus |
|
|
100 mm | Závit | 70 mm | 35 mm | 35 l/min | Hliník | BSP | 210 BAR | 50-220 BAR | 1/2 Inch | 50 BAR |