AgroBox

Dokončená ozubená kola simplex 16B-1 – 1″ x 17,02 mm

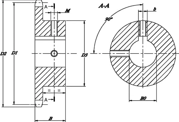
Parametry produktu

Zvláštnosti
Indukčně kalené zuby (HRc45-55)
Použití
Není vhodné pro řetěz ASA/DIN 8188
Vlastnosti
  • Lícování náboje: H7
  • Klínová drážka dle DIN 6885 na ose zubu
  • Závitový otvor na klínu a na 90°
Obsah
  • Řetězové kolo
  • 2 stavěcí šrouby
Výhody
Delší životnost řetězu a řetězového kola

Tento produkt má několik variant. Vyberte prosím konkrétní variantu z tabulky níže.

Dostupné varianty produktu

Produkt Košík Cena Typ Obsah Výhody Značka Jednotka Vrtání BŠířka D1Rozteč Materiál Použití Typ náboje Počet zubů Tvrdost zubů Zvláštnosti Šířka zubu B0Průměr otvoru D3Průměr náboje bŠířka drážky D2Vnější průměr Kód velikosti řetězu MPrůměr zajišťovacího závitu
Řetězové kolo Simplex 10 zubů 1" řetěz 16 B-1 otvor 25 mm Kramp
Řetězové kolo Simplex 10 zubů 1" řetěz 16 B-1 otvor 25 mm Kramp
SE11025
199,53 Kč 164,90 Kč bez DPH
Simplex
  • Řetězové kolo
  • 2 stavěcí šrouby
Delší životnost řetězu a řetězového kola Kramp Kus Ano 35 mm 82,19 mm Ocel C45 Není vhodné pro řetěz ASA/DIN 8188 Jednostranný náboj 10 HRC 45-55 Indukčně kalené zuby (HRc45-55) 16,2 mm 25 mm 55 mm 8 mm 93,8 mm 16 B-1 M6
Řetězové kolo Simplex 10 zubů 1" řetěz 16 B-1 otvor 35 mm Kramp
Řetězové kolo Simplex 10 zubů 1" řetěz 16 B-1 otvor 35 mm Kramp
SE11035
185,13 Kč 153,00 Kč bez DPH
Simplex
  • Řetězové kolo
  • 2 stavěcí šrouby
Delší životnost řetězu a řetězového kola Kramp Kus Ano 35 mm 82,19 mm Ocel C45 Není vhodné pro řetěz ASA/DIN 8188 Jednostranný náboj 10 HRC 45-55 Indukčně kalené zuby (HRc45-55) 16,2 mm 35 mm 55 mm 10 mm 93,8 mm 16 B-1 M8
Řetězové kolo Simplex 11 zubů 1" řetěz 16 B-1 otvor 25 mm Kramp
Řetězové kolo Simplex 11 zubů 1" řetěz 16 B-1 otvor 25 mm Kramp
SE11125
500,88 Kč 413,95 Kč bez DPH
Simplex
  • Řetězové kolo
  • 2 stavěcí šrouby
Delší životnost řetězu a řetězového kola Kramp Kus Ano 40 mm 90,14 mm Ocel C45 Není vhodné pro řetěz ASA/DIN 8188 Jednostranný náboj 11 HRC 45-55 Indukčně kalené zuby (HRc45-55) 16,2 mm 25 mm 61 mm 8 mm 101,7 mm 16 B-1 M6
Řetězové kolo Simplex 11 zubů 1" řetěz 16 B-1 otvor 30 mm Kramp
Řetězové kolo Simplex 11 zubů 1" řetěz 16 B-1 otvor 30 mm Kramp
SE11130
206,73 Kč 170,85 Kč bez DPH
Simplex
  • Řetězové kolo
  • 2 stavěcí šrouby
Delší životnost řetězu a řetězového kola Kramp Kus Ano 40 mm 90,14 mm Ocel C45 Není vhodné pro řetěz ASA/DIN 8188 Jednostranný náboj 11 HRC 45-55 Indukčně kalené zuby (HRc45-55) 16,2 mm 30 mm 61 mm 8 mm 101,7 mm 16 B-1 M6
Řetězové kolo Simplex 11 zubů 1" řetěz 16 B-1 otvor 32 mm Kramp
Řetězové kolo Simplex 11 zubů 1" řetěz 16 B-1 otvor 32 mm Kramp
SE11132
195,42 Kč 161,50 Kč bez DPH
Simplex
  • Řetězové kolo
  • 2 stavěcí šrouby
Delší životnost řetězu a řetězového kola Kramp Kus Ano 40 mm 90,14 mm Ocel C45 Není vhodné pro řetěz ASA/DIN 8188 Jednostranný náboj 11 HRC 45-55 Indukčně kalené zuby (HRc45-55) 16,2 mm 32 mm 61 mm 10 mm 101,7 mm 16 B-1 M8
Řetězové kolo Simplex 11 zubů 1" řetěz 16 B-1 otvor 35 mm Kramp
Řetězové kolo Simplex 11 zubů 1" řetěz 16 B-1 otvor 35 mm Kramp
SE11135
240,67 Kč 198,90 Kč bez DPH
Simplex
  • Řetězové kolo
  • 2 stavěcí šrouby
Delší životnost řetězu a řetězového kola Kramp Kus Ano 40 mm 90,14 mm Ocel C45 Není vhodné pro řetěz ASA/DIN 8188 Jednostranný náboj 11 HRC 45-55 Indukčně kalené zuby (HRc45-55) 16,2 mm 35 mm 61 mm 10 mm 101,7 mm 16 B-1 M8
Řetězové kolo Simplex 11 zubů 1" řetěz 16 B-1 otvor 40 mm Kramp
Řetězové kolo Simplex 11 zubů 1" řetěz 16 B-1 otvor 40 mm Kramp
SE11140
254,04 Kč 209,95 Kč bez DPH
Simplex
  • Řetězové kolo
  • 2 stavěcí šrouby
Delší životnost řetězu a řetězového kola Kramp Kus Ano 40 mm 90,14 mm Ocel C45 Není vhodné pro řetěz ASA/DIN 8188 Jednostranný náboj 11 HRC 45-55 Indukčně kalené zuby (HRc45-55) 16,2 mm 40 mm 67 mm 12 mm 101,7 mm 16 B-1 M10
Řetězové kolo Simplex 12 zubů 1" řetěz 16 B-1 otvor 25 mm Kramp
Řetězové kolo Simplex 12 zubů 1" řetěz 16 B-1 otvor 25 mm Kramp
SE112258
255,07 Kč 210,80 Kč bez DPH
Simplex
  • Řetězové kolo
  • 2 stavěcí šrouby
Delší životnost řetězu a řetězového kola Kramp Kus Ano 40 mm 98,14 mm Ocel C45 Není vhodné pro řetěz ASA/DIN 8188 Jednostranný náboj 12 HRC 45-55 Indukčně kalené zuby (HRc45-55) 16,2 mm 25 mm 69 mm 8 mm 109,7 mm 16 B-1 M6
Řetězové kolo Simplex 12 zubů 1" řetěz 16 B-1 otvor 30 mm Kramp
Řetězové kolo Simplex 12 zubů 1" řetěz 16 B-1 otvor 30 mm Kramp
SE112308
580,07 Kč 479,40 Kč bez DPH
Simplex
  • Řetězové kolo
  • 2 stavěcí šrouby
Delší životnost řetězu a řetězového kola Kramp Kus Ano 40 mm 98,14 mm Ocel C45 Není vhodné pro řetěz ASA/DIN 8188 Jednostranný náboj 12 HRC 45-55 Indukčně kalené zuby (HRc45-55) 16,2 mm 30 mm 69 mm 8 mm 109,7 mm 16 B-1 M6
Řetězové kolo Simplex 12 zubů 1" řetěz 16 B-1 otvor 32 mm Kramp
Řetězové kolo Simplex 12 zubů 1" řetěz 16 B-1 otvor 32 mm Kramp
SE1123210
295,18 Kč 243,95 Kč bez DPH
Simplex
  • Řetězové kolo
  • 2 stavěcí šrouby
Delší životnost řetězu a řetězového kola Kramp Kus Ano 40 mm 98,14 mm Ocel C45 Není vhodné pro řetěz ASA/DIN 8188 Jednostranný náboj 12 HRC 45-55 Indukčně kalené zuby (HRc45-55) 16,2 mm 32 mm 69 mm 10 mm 109,7 mm 16 B-1 M8
Řetězové kolo Simplex 12 zubů 1" řetěz 16 B-1 otvor 35 mm Kramp
Řetězové kolo Simplex 12 zubů 1" řetěz 16 B-1 otvor 35 mm Kramp
SE1123510
224,21 Kč 185,30 Kč bez DPH
Simplex
  • Řetězové kolo
  • 2 stavěcí šrouby
Delší životnost řetězu a řetězového kola Kramp Kus Ano 40 mm 98,14 mm Ocel C45 Není vhodné pro řetěz ASA/DIN 8188 Jednostranný náboj 12 HRC 45-55 Indukčně kalené zuby (HRc45-55) 16,2 mm 35 mm 69 mm 10 mm 109,7 mm 16 B-1 M8
Řetězové kolo Simplex 12 zubů 1" řetěz 16 B-1 otvor 40 mm Kramp
Řetězové kolo Simplex 12 zubů 1" řetěz 16 B-1 otvor 40 mm Kramp
SE1124012
314,72 Kč 260,10 Kč bez DPH
Simplex
  • Řetězové kolo
  • 2 stavěcí šrouby
Delší životnost řetězu a řetězového kola Kramp Kus Ano 40 mm 98,14 mm Ocel C45 Není vhodné pro řetěz ASA/DIN 8188 Jednostranný náboj 12 HRC 45-55 Indukčně kalené zuby (HRc45-55) 16,2 mm 40 mm 69 mm 12 mm 109,7 mm 16 B-1 M10
Řetězové kolo Simplex 13 zubů 1" řetěz 16 B-1 otvor 25 mm Kramp
Řetězové kolo Simplex 13 zubů 1" řetěz 16 B-1 otvor 25 mm Kramp
SE11325
532,76 Kč 440,30 Kč bez DPH
Simplex
  • Řetězové kolo
  • 2 stavěcí šrouby
Delší životnost řetězu a řetězového kola Kramp Kus Ano 40 mm 106,12 mm Ocel C45 Není vhodné pro řetěz ASA/DIN 8188 Jednostranný náboj 13 HRC 45-55 Indukčně kalené zuby (HRc45-55) 16,2 mm 25 mm 78 mm 8 mm 117,7 mm 16 B-1 M6
Řetězové kolo Simplex 13 zubů 1" řetěz 16 B-1 otvor 30 mm Kramp
Řetězové kolo Simplex 13 zubů 1" řetěz 16 B-1 otvor 30 mm Kramp
SE11330
679,84 Kč 561,85 Kč bez DPH
Simplex
  • Řetězové kolo
  • 2 stavěcí šrouby
Delší životnost řetězu a řetězového kola Kramp Kus Ano 40 mm 106,12 mm Ocel C45 Není vhodné pro řetěz ASA/DIN 8188 Jednostranný náboj 13 HRC 45-55 Indukčně kalené zuby (HRc45-55) 16,2 mm 30 mm 78 mm 8 mm 117,7 mm 16 B-1 M6
Řetězové kolo Simplex 13 zubů 1" řetěz 16 B-1 otvor 32 mm Kramp
Řetězové kolo Simplex 13 zubů 1" řetěz 16 B-1 otvor 32 mm Kramp
SE11332
373,35 Kč 308,55 Kč bez DPH
Simplex
  • Řetězové kolo
  • 2 stavěcí šrouby
Delší životnost řetězu a řetězového kola Kramp Kus Ano 40 mm 106,12 mm Ocel C45 Není vhodné pro řetěz ASA/DIN 8188 Jednostranný náboj 13 HRC 45-55 Indukčně kalené zuby (HRc45-55) 16,2 mm 32 mm 78 mm 10 mm 117,7 mm 16 B-1 M8
Řetězové kolo Simplex 13 zubů 1" řetěz 16 B-1 otvor 35 mm Kramp
Řetězové kolo Simplex 13 zubů 1" řetěz 16 B-1 otvor 35 mm Kramp
SE11335
382,60 Kč 316,20 Kč bez DPH
Simplex
  • Řetězové kolo
  • 2 stavěcí šrouby
Delší životnost řetězu a řetězového kola Kramp Kus Ano 40 mm 106,12 mm Ocel C45 Není vhodné pro řetěz ASA/DIN 8188 Jednostranný náboj 13 HRC 45-55 Indukčně kalené zuby (HRc45-55) 16,2 mm 35 mm 78 mm 10 mm 117,7 mm 16 B-1 M8
Řetězové kolo Simplex 13 zubů 1" řetěz 16 B-1 otvor 40 mm Kramp
Řetězové kolo Simplex 13 zubů 1" řetěz 16 B-1 otvor 40 mm Kramp
SE11340
316,78 Kč 261,80 Kč bez DPH
Simplex
  • Řetězové kolo
  • 2 stavěcí šrouby
Delší životnost řetězu a řetězového kola Kramp Kus Ano 40 mm 106,12 mm Ocel C45 Není vhodné pro řetěz ASA/DIN 8188 Jednostranný náboj 13 HRC 45-55 Indukčně kalené zuby (HRc45-55) 16,2 mm 40 mm 78 mm 12 mm 117,7 mm 16 B-1 M10
Řetězové kolo Simplex 13 zubů 1" řetěz 16 B-1 otvor 45 mm Kramp
Řetězové kolo Simplex 13 zubů 1" řetěz 16 B-1 otvor 45 mm Kramp
SE11345
382,60 Kč 316,20 Kč bez DPH
Simplex
  • Řetězové kolo
  • 2 stavěcí šrouby
Delší životnost řetězu a řetězového kola Kramp Kus Ano 40 mm 106,12 mm Ocel C45 Není vhodné pro řetěz ASA/DIN 8188 Jednostranný náboj 13 HRC 45-55 Indukčně kalené zuby (HRc45-55) 16,2 mm 45 mm 78 mm 14 mm 117,7 mm 16 B-1 M12
Řetězové kolo Simplex 14 zubů 1" řetěz 16 B-1 otvor 25 mm Kramp
Řetězové kolo Simplex 14 zubů 1" řetěz 16 B-1 otvor 25 mm Kramp
SE114258
822,80 Kč 680,00 Kč bez DPH
Simplex
  • Řetězové kolo
  • 2 stavěcí šrouby
Delší životnost řetězu a řetězového kola Kramp Kus Ano 40 mm 114,15 mm Ocel C45 Není vhodné pro řetěz ASA/DIN 8188 Jednostranný náboj 14 HRC 45-55 Indukčně kalené zuby (HRc45-55) 16,2 mm 25 mm 84 mm 8 mm 125,7 mm 16 B-1 M6
Řetězové kolo Simplex 14 zubů 1" řetěz 16 B-1 otvor 30 mm Kramp
Řetězové kolo Simplex 14 zubů 1" řetěz 16 B-1 otvor 30 mm Kramp
SE114308
822,80 Kč 680,00 Kč bez DPH
Simplex
  • Řetězové kolo
  • 2 stavěcí šrouby
Delší životnost řetězu a řetězového kola Kramp Kus Ano 40 mm 114,15 mm Ocel C45 Není vhodné pro řetěz ASA/DIN 8188 Jednostranný náboj 14 HRC 45-55 Indukčně kalené zuby (HRc45-55) 16,2 mm 30 mm 84 mm 8 mm 125,7 mm 16 B-1 M6