AgroBox

Dílenský agregát 35 l, 9 l/min

Parametry produktu

Číslo položky WP85B002
EAN 8719493185782
Jednotka Kus
Značka Kramp
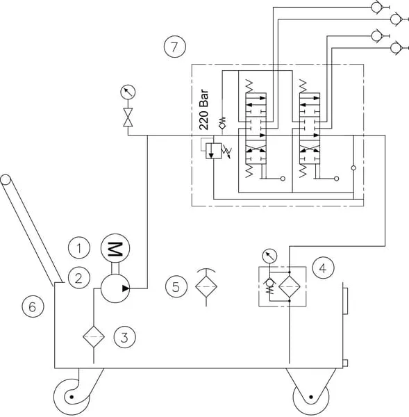
Popis výrobku Dílenské hydraulické agregáty, od společnosti Kramp, lze snadno a rychle připravit k použití, takže jsou oblíbené v situacích, kdy je důležitá efektivita a flexibilita. Tyto mobilní hydraulické jednotky lze použít k různým úkolům, jako je testování válců, motorů, ventilů a obsluha dílenského lisu.
Výhody
  • Zamezuje hluku a emisím výfukových plynů z běžícího motoru traktoru v dílně
  • Mobilní
  • Snadné a rychlé použití
  • Víceúčelové
Podrobnosti
  • Dílenský hydraulický agregát na kolečkách
  • Nádrž z nárazuvzdorné oceli s ukazatelem hladiny (průzor)
  • Mimořádně odolné uchycení kol
  • Manometr k zobrazení provozního tlaku (s clonou)
  • Zpětný filtr s indikátorem omezení (manometr)
  • Velký plnicí uzávěr s odvzdušněním na nádrži umožňuje snadné plnění
  • Ruční dvojčinné ventily
Obsah balení
  • Elektrický motor
  • Ozubené čerpadlo
  • Manometr
  • Ruční dvojčinný ventil (ventily)
  • Rychlospojky (2x)
  • Robustní ocelová nádrž
  • 2 otočná kolečka a 2 pevná kolečka
  • Zpětný filtr
  • Sací filtr v nádrži
  • Plnicí uzávěr
Objem nádrže 35 l
Jmenovitý objemový průtok 9 cm³/rev
Jmenovitý objemový průtok # 9 l/min
Výkon motoru 4 kW
Max. soustavný provozní tlak 220 BAR
Extra info
  • Ručně ovládaný 2cestný regulační ventil
  • Barevně lakovaná nádrž
  • Tlačná rukojeť ke snadnému ovládání
  • Ovládací skříňka zapnuto/vypnuto, s nouzovým zastavením
  • 5metrový kabel se zástrčkou 32A 5P B000227
  • Motor se v případě přerušení napájení vypne
  • Žádná ochrana proti sledu fází nebo výpadku fáze, proto při prvním spuštění zkontrolujte směr otáčení

103 853,82 Kč s DPH

85 829,60 Kč bez DPH

Skladem