AgroBox

Čerpadla Bosch konstrukční velikost F, provedení 217

Parametry produktu

Zvláštnosti
  • Vnější pouzdro na ložiskách
  • Kompaktní konstrukce
Použití
  • Mobilní použití
  • Průmyslové aplikace
Vlastnosti
  • Možná je kombinace více čerpadel
  • Možnost zakázkového provedení
Výhody
  • Lze používat i v náročných okolních podmínkách
  • Malé prostorové požadavky

Tento produkt má několik variant. Vyberte prosím konkrétní variantu z tabulky níže.

Dostupné varianty produktu

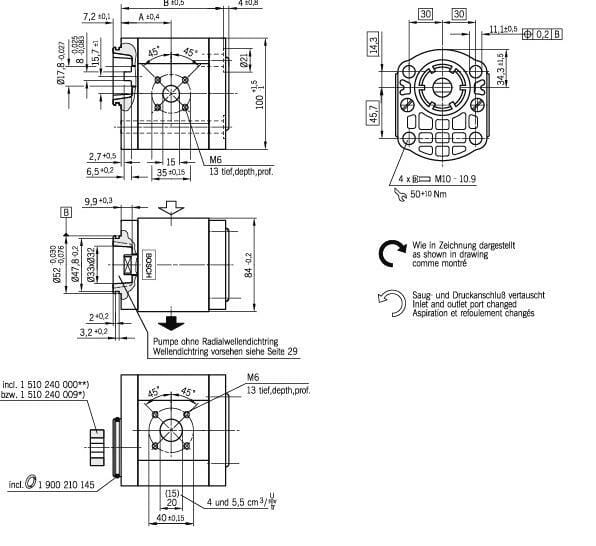
Produkt Košík Cena Výhody Značka Jednotka Použití Vlastnosti Pozice portu Typ hřídele Zvláštnosti Kód příruby Typ těsnění Zdvihový objem Průměr hřídele Kód typu hřídele Vhodné pro značku Montážní průměr Norma typu příruby Povrchový materiál Max. nejvyšší tlak Typ závitu hřídele Kód skupiny čerpadel Max. rychlost otáčení Min. rychlost otáčení Průměr závitu hřídele Počet montážních otvorů Preferovaný směr otáčení Max. soustavný provozní tlak Max. střídavý provozní tlak Kód velikosti kužele hřídele Materiál příruby a zadního krytu Průměr kruhu šroubů sacího otvoru Průměr kruhu šroubů tlakového portu Svislá vzdálenost montážních otvorů Vodorovná vzdálenost montážních otvorů
Zubové čerpadlo AZPF-12-016LNT20MB Bosch Rexroth
Zubové čerpadlo AZPF-12-016LNT20MB Bosch Rexroth
0510615315
13 454,60 Kč 11 119,50 Kč bez DPH
  • Lze používat i v náročných okolních podmínkách
  • Malé prostorové požadavky
Bosch Rexroth Kus
  • Mobilní použití
  • Průmyslové aplikace
  • Možná je kombinace více čerpadel
  • Možnost zakázkového provedení
Boční Oldham (Tang)
  • Vnější pouzdro na ložiskách
  • Kompaktní konstrukce
T Standardní 16 cm³/rev 17 mm N
  • Claas
  • New Holland
52 mm Německý Hliník 300 BAR n/a 2 2000 r/min 1000 r/min n/a 4 Levotočivé (CCW) 250 BAR 280 BAR n/a Hliník 40 mm 35 mm 60 mm 60 mm
Zubové čerpadlo AZPF-12-019LNT20MB Bosch Rexroth
Zubové čerpadlo AZPF-12-019LNT20MB Bosch Rexroth
0510615321
14 055,72 Kč 11 616,30 Kč bez DPH
  • Lze používat i v náročných okolních podmínkách
  • Malé prostorové požadavky
Bosch Rexroth Kus
  • Mobilní použití
  • Průmyslové aplikace
  • Možná je kombinace více čerpadel
  • Možnost zakázkového provedení
Boční Oldham (Tang)
  • Vnější pouzdro na ložiskách
  • Kompaktní konstrukce
T Standardní 19 cm³/rev 17 mm N
  • Claas
  • New Holland
52 mm Německý Hliník 250 BAR n/a 2 3000 r/min 1000 r/min n/a 4 Levotočivé (CCW) 210 BAR 230 BAR n/a Hliník 40 mm 35 mm 60 mm 60 mm
Zubové čerpadlo AZPF-12-022LNT20MB Bosch Rexroth
Zubové čerpadlo AZPF-12-022LNT20MB Bosch Rexroth
0510715307
12 124,93 Kč 10 020,60 Kč bez DPH
  • Lze používat i v náročných okolních podmínkách
  • Malé prostorové požadavky
Bosch Rexroth Kus
  • Mobilní použití
  • Průmyslové aplikace
  • Možná je kombinace více čerpadel
  • Možnost zakázkového provedení
Boční Oldham (Tang)
  • Vnější pouzdro na ložiskách
  • Kompaktní konstrukce
T Standardní 22,5 cm³/rev 17,02 mm N
  • Claas
  • New Holland
52 mm Německý Hliník 230 BAR n/a 2 2000 r/min 1000 r/min n/a 4 Levotočivé (CCW) 180 BAR 210 BAR n/a Hliník 40 mm 35 mm 60 mm 60 mm