AgroBox

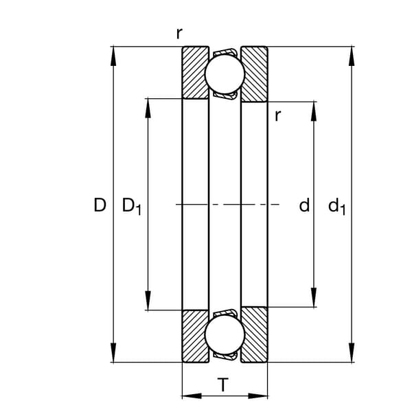
Axiální ložisko

Parametry produktu

Číslo položky 51205
EAN 4012801016452
Jednotka Kus
Značka FAG
Použití
  • Převodovka
  • Tlaková vřetena
  • Opěrné nohy
Vlastnosti
  • Zachycují axiální síly v 1 směru
  • Malá axiální montážní výška
  • Vysoká axiální zatížitelnost
Technická informace Doplnění MP: masivní mosazná klec středěná na kuličkách
Obsah
  • Nákružek hřídele
  • Kroužek pouzdra
  • Klec s kuličkami
dPrůměr otvoru 25 mm
Vnější průměr 47 mm
TVýška 15 mm
Základní osové zatížení dynamické 28000 N
Základní radiální únosnost statická 50000 N
Ref. rychlost otáčení 6700 r/min
Omezující rychlost 125 r/s
Materiál klece Ocel
Těsnění Otevřené
Originální číslo 51205
Výrobce Schaeffler

277,70 Kč s DPH

229,50 Kč bez DPH

Skladem