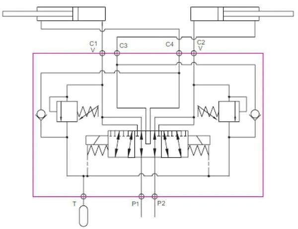
AgroBox

8/3 ventil 24 Vdc včetně přetlakového ventilu

Parametry produktu

Číslo položky E8312PV24V
Jednotka Kus
Značka PIIPPO
Podrobnosti
  • Elektrický pohon
  • 8/3 řídicí ventil (pro sněhový pluh)
Průměr závitu otvoru nádrže 1/2 Inch
Maximální pracovní tlak 210 BAR
Maximální průtok 75 l/min
Celková šířka (průměr) 75 mm
Celková výška 75 mm
Celková délka 380 mm
Napájecí napětí
  • 12 V
  • 24 V
Typ napětí DC

47 095,98 Kč s DPH

38 922,30 Kč bez DPH

Skladem