AgroBox

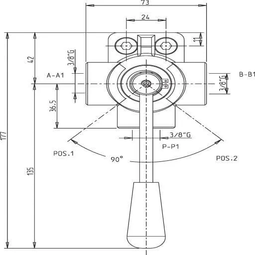
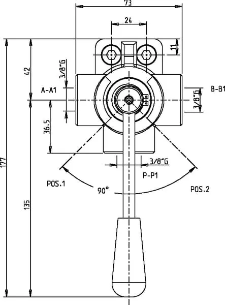
6-cestný kohout L-otvor 3/8 BSP

Parametry produktu

Číslo položky DH056B
Jednotka Kus
Značka Oleodinamica Marchesini
Technická informace Tyto 6-cestné kohouty umožňují volnou změnu průtoku z P popř. P1 do A popř. A1 a přepnutím i do B popř. B1. U typu A jsou v průběhu spínání všechny spoje spojené. U typu B jsou v průběhu spínání všechny spoje uzavřené.
Počet pozic 3
Počet portů 6
Typ Manuální ventil
Kód typu vývrtu L
Povrchový materiál Litina
Maximální pracovní tlak 315 BAR
Průtok 60 l/min
Typ připojení Závit
Průměr závitu připojení 3/8 Inch
Min. teplota média -20 °C
Max. teplota média 100 °C
GŠířka pouzdra 124 mm

2 687,65 Kč s DPH

2 221,20 Kč bez DPH

Skladem