5/2cestný ventil se zdvihátkem, monostabilní s nastavením se zpětnou pružinou
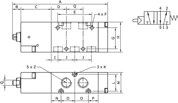
Parametry produktu
Tento produkt má několik variant. Vyberte prosím konkrétní variantu z tabulky níže.
Dostupné varianty produktu
| Produkt | Košík | Cena | Typ | Průtok | Značka | Jednotka | Počet pozic | Počet portů | Typ připojení | Výška pouzdra | ACelková výška | MŠířka pouzdra | Povrchový materiál | Typ závitu připojení | Rozsah řízeného tlaku | Typ připojení číslo 2 | Maximální pracovní tlak | Povrchová úprava ventilu | Průměr závitu připojení | Průměr montážního závitu | Délka závitu připojení číslo 2 | Průměr závitu připojení číslo 2 | Vzdálenost od středu otvoru k vrcholu |
|---|---|---|---|---|---|---|---|---|---|---|---|---|---|---|---|---|---|---|---|---|---|---|---|
5/2c. ventil se zdvihát. M5
MEP52M18
|
1 427,68 Kč
1 179,90 Kč bez DPH
|
Vřetenový ventil | 740 l/min | Kramp | Kus | 2 | 5 | Závit | 32 mm | 98 mm | 22 mm | Hliník | BSP | 2-2 BAR | Závit | 10 BAR |
|
1/8 Inch |
|
8,8 mm | 1/8 Inch | 32 mm |