5/2cestný anténní ventil, monostabilní s nastavením se zpětnou pružinou
Parametry produktu
| Vlastnosti | Materiál tyče: Nerezová pružinová ocel 1.4310 AISI 301 (mírně magnetická) |
|---|
Tento produkt má několik variant. Vyberte prosím konkrétní variantu z tabulky níže.
Dostupné varianty produktu
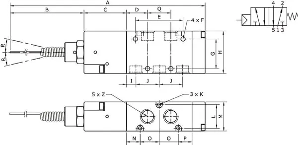
| Produkt | Košík | Cena | Typ | Průtok | Značka | Jednotka | Vlastnosti | Počet pozic | Počet portů | Typ připojení | Výška pouzdra | HDélka rukojeti | ACelková výška | MŠířka pouzdra | Povrchový materiál | Typ závitu připojení | Rozsah řízeného tlaku | Typ připojení číslo 2 | Maximální pracovní tlak | Povrchová úprava ventilu | Průměr závitu připojení | Průměr montážního závitu | Průměr závitu připojení číslo 2 | Vzdálenost od středu otvoru k vrcholu |
|---|---|---|---|---|---|---|---|---|---|---|---|---|---|---|---|---|---|---|---|---|---|---|---|---|
5/2c. ventil ovl. anténou 1/8"
MEA52M18
|
1 534,40 Kč
1 268,10 Kč bez DPH
|
Vřetenový ventil | 740 l/min | Kramp | Kus | Materiál tyče: Nerezová pružinová ocel 1.4310 AISI 301 (mírně magnetická) | 2 | 5 | Závit | 32 mm | 133 mm | 222,6 mm | 22 mm | Hliník | BSP | 2-2 BAR | Závit | 10 BAR |
|
1/8 Inch |
|
1/8 Inch | 32 mm |