3cestné průtokové regulační ventily typ VPR EP
Parametry produktu
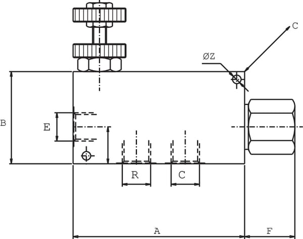
| Technická informace | Tyto ventily jsou standardně vybaveny stavěcím kroužkem s pojistnou maticí, port R lze pod tlakem zatížit. |
|---|
Tento produkt má několik variant. Vyberte prosím konkrétní variantu z tabulky níže.
Dostupné varianty produktu
| Produkt | Košík | Cena | Značka | Jednotka | Montáž | Nastavení | Provedení | Připojení | Materiál obalu | Typ seřízení | ACelková délka | BCelková výška | Možnost montáže | Maximální průtok | Povrchový materiál | Max. pracovní teplota | Min. provozní teplota | Typ závitu připojení | Max. regulovaný průtok | Maximální pracovní tlak | Průměr závitu připojení | CCelková šířka (průměr) | Průměr závitu připojení číslo 2 |
|---|---|---|---|---|---|---|---|---|---|---|---|---|---|---|---|---|---|---|---|---|---|---|---|
3 – cestný proudový regulační ventil
VPR3EP20001
|
7 677,45 Kč
6 345,00 Kč bez DPH
|
Walvoil | Kus | Jako ventil vestavěný do vedení | Pomocí otočného kolečka | Přibližné nastavení | 3/8″ – 1.1/4″ BS | Hliník | Kohoutek | 155 mm | 90 mm | Vhodné pro montáž do řady | 150 l/min | Hliník | 90 °C | -25 °C | BSP | 90 l/min | 210 BAR | 3/4 Inch | 50 mm | 3/4 Inch | |
3 – cestný proudový regulační ventil
VPR3EP25001
|
10 693,98 Kč
8 838,00 Kč bez DPH
|
Walvoil | Kus | Jako ventil vestavěný do vedení | Pomocí otočného kolečka | Přibližné nastavení | 3/8″ – 1.1/4″ BS | Hliník | Kohoutek | 155 mm | 130 mm | Vhodné pro montáž do řady | 240 l/min | Hliník | 90 °C | -25 °C | BSP | 150 l/min | 210 BAR | 1 Inch | 70 mm | 1 Inch | |
3-cestný proudový regulační ventil
VPR3EP10002
|
6 793,18 Kč
5 614,20 Kč bez DPH
|
Walvoil | Kus | Jako ventil vestavěný do vedení | +Lever | Přibližné nastavení | 3/8″ – 1.1/4″ BS | Hliník | Páka | 130 mm | 70 mm | Vhodné pro montáž do řady | 90 l/min | Hliník | 90 °C | -25 °C | BSP | 50 l/min | 210 BAR | 1/2 Inch | 40 mm | 1/2 Inch | |
3cestný průtokový regulační ventil A-06-V 3/8"
VPR3EP05001
|
5 597,46 Kč
4 626,00 Kč bez DPH
|
Walvoil | Kus | Jako ventil vestavěný do vedení | Pomocí otočného kolečka | Přibližné nastavení | 3/8″ – 1.1/4″ BS | Hliník | Kohoutek | 130 mm | 70 mm | Vhodné pro montáž do řady | 50 l/min | Hliník | 90 °C | -25 °C | BSP | 30 l/min | 210 BAR | 3/8 Inch | 40 mm | 3/8 Inch | |
3cestný průtokový regulační ventil A-08-V 1/2"
VPR3EP10001
|
4 956,04 Kč
4 095,90 Kč bez DPH
|
Walvoil | Kus | Jako ventil vestavěný do vedení | Pomocí otočného kolečka | Přibližné nastavení | 3/8″ – 1.1/4″ BS | Hliník | Kohoutek | 130 mm | 70 mm | Vhodné pro montáž do řady | 90 l/min | Hliník | 90 °C | -25 °C | BSP | 50 l/min | 210 BAR | 1/2 Inch | 40 mm | 1/2 Inch |