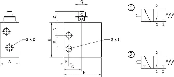
3/2cestný mikroventil se zdvihátkem, monostabilní s nastavením se zpětnou pružinou
Parametry produktu
Tento produkt má několik variant. Vyberte prosím konkrétní variantu z tabulky níže.
Dostupné varianty produktu
| Produkt | Košík | Cena | Typ | Průtok | Značka | Jednotka | Počet pozic | Počet portů | HDélka pouzdra | Typ připojení | BVýška pouzdra | CDélka rukojeti | AŠířka pouzdra | Povrchový materiál | Typ závitu připojení | Rozsah řízeného tlaku | Typ připojení číslo 2 | Maximální pracovní tlak | Povrchová úprava ventilu | Průměr montážního závitu | Průměr závitu připojení číslo 2 | Vzdálenost od středu otvoru k vrcholu |
|---|---|---|---|---|---|---|---|---|---|---|---|---|---|---|---|---|---|---|---|---|---|---|
3/2c. ventil se zdvihát. M5
MEP32M5NO
|
485,69 Kč
401,40 Kč bez DPH
|
Manuální ventil | 100 l/min | Kramp | Kus | 3 | 3 | 27,5 mm | Závit | 30 mm | 8,3 mm | 15 mm | Hliník | Metrický | 2-2 BAR | Závit | 10 BAR |
|
M4 | M5 | 30 mm | |
3/2cestný ventil se zdvihem M5
MEP32M5NC
|
429,07 Kč
354,60 Kč bez DPH
|
Manuální ventil | 100 l/min | Kramp | Kus | 3 | 3 | 27,5 mm | Závit | 30 mm | 8,3 mm | 15 mm | Hliník | Metrický | 2-2 BAR | Závit | 10 BAR |
|
M4 | M5 | 30 mm |