3/2cestný magnetický ventil, monostabilní s nastavením se zpětnou pružinou, se servořízením
Parametry produktu
Tento produkt má několik variant. Vyberte prosím konkrétní variantu z tabulky níže.
Dostupné varianty produktu
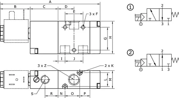
| Produkt | Košík | Cena | B2 | Značka | Jednotka | Vývrt F | ADélka A | BDélka B | CDélka C | DDélka D | Instalace | HVýška H | KØ Otvoru | MVýška M | Provedení | Ovládání | ERozteč děr | RRozteč děr | Pracovní tlak | Druh upevnění | Materiál obalu | Ovládací tlak | Spínací symbol | Max. Pracovní tlak | Přesný tok(Nl/min) | Ruční pomocné ovládání | GVzdálenost, od středu ke středu | JOsová vzdálenost, montážní otvory | OVzdálenost, od středního otvoru k levé straně | Vzdálenost, od středního otvoru k pravé straně | Osová vzdálenost, montážní otvory na dlouhé straně | Osová vzdálenost, montážní otvory na krátké straně |
|---|---|---|---|---|---|---|---|---|---|---|---|---|---|---|---|---|---|---|---|---|---|---|---|---|---|---|---|---|---|---|---|---|
3/2cestný magn. ventil NC-1/4"
SOV32MS14NC
|
1 547,47 Kč
1 278,90 Kč bez DPH
|
16.9 mm | Kramp | Kus | 4.2 mm | 121.4 mm | 36.2 mm | 34 mm | 19.4 mm | Libovolné | 40 mm | 3.1 mm | 22 mm | Pístové šoupátko s vratnou pružinou | Magnetický/pneumatický | 22 mm | 15.9 mm | 0 BAR | Průchozí otvory | Eloxovaný hliník, lakovaný | 2 – 10 BAR | 1 | 10 BAR | 1200 l/min | Ano | 28 mm | 22 mm | 18 mm | 8.4 mm | 12.4 mm | 8.4 mm | |
3/2cestný magn. ventil NC-1/8"
SOV32MS18NC
|
1 514,80 Kč
1 251,90 Kč bez DPH
|
16.9 mm | Kramp | Kus | 4.2 mm | 110.5 mm | 36.2 mm | 34 mm | 14.9 mm | Libovolné | 32 mm | 3.1 mm | 22 mm | Pístové šoupátko s vratnou pružinou | Magnetický/pneumatický | 15.5 mm | 17.2 mm | 0 BAR | Průchozí otvory | Eloxovaný hliník, lakovaný | 2 – 10 BAR | 1 | 10 BAR | 740 l/min | Ano | 23 mm | 17,2 mm | 13 mm | 6.3 mm | 10.5 mm | 6.3 mm | |
3/2cestný magn. ventil NO-1/4"
SOV32MS14NO
|
1 547,47 Kč
1 278,90 Kč bez DPH
|
16.9 mm | Kramp | Kus | 4.2 mm | 121.4 mm | 36.2 mm | 34 mm | 19.4 mm | Libovolné | 40 mm | 3.1 mm | 22 mm | Pístové šoupátko s vratnou pružinou | Magnetický/pneumatický | 22 mm | 15.9 mm | 0 BAR | Průchozí otvory | Eloxovaný hliník, lakovaný | 2 – 10 BAR | 2 | 10 BAR | 1200 l/min | Ano | 28 mm | 22 mm | 18 mm | 8.4 mm | 12.4 mm | 8.4 mm | |
3/2cestný magn. ventil NO-1/8"
SOV32MS18NO
|
1 514,80 Kč
1 251,90 Kč bez DPH
|
16.9 mm | Kramp | Kus | 4.2 mm | 110.5 mm | 36.2 mm | 34 mm | 14.9 mm | Libovolné | 32 mm | 3.1 mm | 22 mm | Pístové šoupátko s vratnou pružinou | Magnetický/pneumatický | 15.5 mm | 17.2 mm | 0 BAR | Průchozí otvory | Eloxovaný hliník, lakovaný | 2 – 10 BAR | 2 | 10 BAR | 740 l/min | Ano | 23 mm | 17,2 mm | 13 mm | 6.3 mm | 10.5 mm | 6.3 mm |