3-way flowcontrol valve VPR3EP
Parametry produktu
| Číslo položky | VPR3EP30002ST |
|---|---|
| Jednotka | Kus |
| Značka | Walvoil |
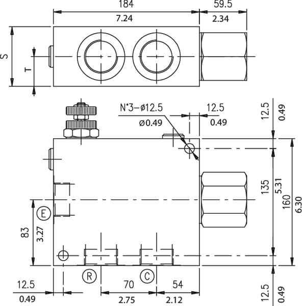
| Technická informace | Nezávisle na zatížení reguluje ventil průtok z E do C. Olej přiváděný z přípojky E se vede dále s tlakovým rozdílem 7 bar v souladu s nastavením ventilu k přípojce C. Zbytkový proud oleje se může přes přípojku R přivádět do druhého okruhu. |
| Maximální průtok | 450 l/min |
| Max. regulovaný průtok | 250 l/min |
| Možnost montáže | Vhodné pro montáž do řady |
| Maximální pracovní tlak | 350 BAR |
| Typ závitu připojení | BSP |
| Průměr závitu připojení | 1-1/4 Inch |
| Povrchový materiál | Ocel |
| Typ seřízení | Páka |
| Min. provozní teplota | -25 °C |
| Max. pracovní teplota | 90 °C |
| Hmotnost | 15,8 kg |
| Nastavení | +Lever |
| Připojení | BSP vnitřní závit |
| Vhodné pro | Regulace rychlosti hydromotorů v systémech s čerpadly s konstantním výkonem, při velkém objemovém proudu a vysokém tlaku |
| Tok | Tento průtokový regulační ventil reguluje průtok oleje z E do C, proudění opačným směrem je nepřípustné |
| Materiál obalu | Ocel |
| Montáž | Jako ventil vestavěný do vedení |
| Poznámka | Mezi čerpadlem a průtokovým regulačním ventilem musí být vždy namontovaný tlakový omezovací ventil. Pro maximální efektivitu a výkon by měl být objemový průtok u E minimálně o 10 % vyšší než u C |
| Provedení | Přibližné nastavení |
16 930,68 Kč s DPH
13 992,30 Kč bez DPH
Skladem