AgroBox

2/2 ventily NO jednocestné SVP 08 NOR

Parametry produktu

Popis výrobku
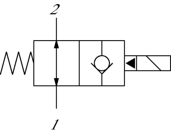
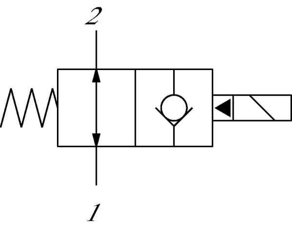
Normálně otevřený, předem aktivovaný elektromagnetický ventil. V nenapájeném stavu je volný průtok v obou směrech. Za provozu je průtok z 2 do 1 zavřený a z 1 do 2 je volný. Standardně se dodává se zásuvným manuálně ovládaným knoflíkem.
Zobrazit více
Podrobnosti
  • Normálně otevřená vložka
  • Elektricky napájený zpětný ventil
  • Předem aktivovaná vložka
  • Ventilové sedlo s maximálním průsakem 6 kapek/min
  • Ruční ovládání pomocí knoflíku
  • Klidový stav: volný průtok v obou směrech
  • Provoz: volný průtok z 1 do 2
  • Provoz: zavřeno z 2 do 1

Tento produkt má několik variant. Vyberte prosím konkrétní variantu z tabulky níže.

Dostupné varianty produktu

Produkt Košík Cena Dutina Značka Jednotka Extra info Napětí (DC) S nouzovou funkcí Maximální průtok Maximální pracovní tlak Normálně otevřený nebo uzavřený
2/2 Patrona SVP08-NOR-00-B-00
2/2 Patrona SVP08-NOR-00-B-00
SVP08NOR00B00
1 327,49 Kč 1 097,10 Kč bez DPH
SDC08-2 Danfoss Kus průsak: 6 kapek/minutu
  • 12 V
  • 24 V
Ne 35 l/min 230 BAR Otevřené