AgroBox

2/2 ventily NC jednocestné SVP 10 NCRR

Parametry produktu

Popis výrobku
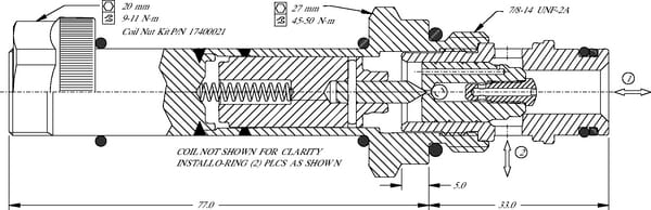
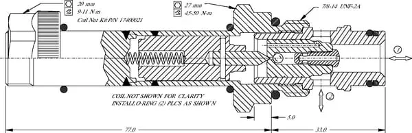
Normálně zavřený, předem aktivovaný elektromagnetický ventil. V nenapájeném stavu jsou otvory 2 do 1 zavřené a mezi otvory 1 do 2 je volný průtok. Za provozu je volný průtok v obou směrech.
Zobrazit více
Podrobnosti
  • Normálně zavřená vložka
  • Elektricky napájený zpětný ventil
  • Předem aktivovaná vložka
  • Ventilové sedlo s maximálním průsakem 6 kapek/min
  • Klidový stav: zavřeno z 2 do 1
  • Klidový stav: volný průtok z 1 do 2
  • Provoz: volný průtok v obou směrech

Tento produkt má několik variant. Vyberte prosím konkrétní variantu z tabulky níže.

Dostupné varianty produktu

Produkt Košík Cena Dutina Značka Jednotka Napětí (DC) S nouzovou funkcí Maximální průtok Maximální pracovní tlak Normálně otevřený nebo uzavřený
2/2 Patrona SVP10-NCR-00-B-00
2/2 Patrona SVP10-NCR-00-B-00
SVP10NCR00B00
1 268,14 Kč 1 048,05 Kč bez DPH
SDC10-2 Danfoss Kus
  • 12 V
  • 24 V
Ne 80 l/min 230 BAR Uzavřené