AgroBox

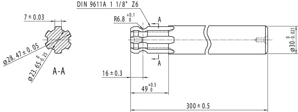
1-str. drážkovaná hřídel 1 1/8″ Z6, 300 mm

Parametry produktu

Číslo položky 6730301KR
EAN 8716106314287
Jednotka Kus
Značka Kramp
Popis výrobku Profilové hřídele jednostranné
Použití Aplikace poháněné kloubovou hřídelí
Vlastnosti Max. 5 % bílé koroze po 72 hodinách testu v solné mlze dle ASTM B117-97
LCelková délka 300 mm
D2Vnější šířka/průměr 35 mm
Typ připojení č. 1 Drážkovaný
Počet drážek u připojení č. 1 6
D1Vnější průměr přípojky č. 1 1-1/8 Inch
L2Délka připojení číslo 1 49 mm
L1Délka připojení číslo 1 k drážce 38 mm
Typ připojení číslo 2 n/a
Materiál Ocel S355
Max. výkon 30 kW

385,69 Kč s DPH

318,75 Kč bez DPH

Skladem